|
|
| 时间:2013/10/17 8:54:33 浏览:4730次 |


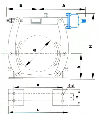
产品安装图及有关尺寸
Ⅱ型 技术数据及结构尺寸
全部系列起动电流2-7A 工作电流0.2-0.6A
项目
制动器型号
|
制动轮直径D(mm)
|
额定制动力矩(N.m)
|
配用电磁铁
|
结构尺寸
|
|
型号
|
额定推力(N)
|
h
|
k
|
i
|
d
|
≤H
|
≤E
|
A
|
L
|
B
|
|
Z3MW160-110-Ⅱ
|
160
|
110
|
Z3M200-800
|
800
|
132
|
260
|
55
|
14
|
390
|
220
|
330
|
300
|
130
|
|
Z3MW160-180-Ⅱ
|
160
|
180
|
Z3M200G-1300
|
1300
|
132
|
260
|
55
|
14
|
390
|
220
|
330
|
300
|
130
|
|
Z3MW200-140-Ⅱ
|
200
|
140
|
Z3M200-800
|
800
|
160
|
290
|
55
|
14
|
470
|
220
|
340
|
330
|
130
|
|
Z3MW200-240-Ⅱ
|
200
|
240
|
Z3M200G-1300
|
1300
|
160
|
290
|
55
|
14
|
470
|
220
|
340
|
330
|
130
|
|
Z3MW250-170-Ⅱ
|
250
|
170
|
Z3M200-800
|
800
|
190
|
360
|
65
|
18
|
620
|
260
|
430
|
400
|
130
|
|
Z3MW250-280-Ⅱ
|
250
|
280
|
Z3M200G-1300
|
1300
|
190
|
360
|
65
|
18
|
620
|
260
|
430
|
400
|
130
|
|
Z3MW250-400-Ⅱ
|
250
|
390
|
Z3M300-1800
|
1800
|
190
|
360
|
65
|
18
|
620
|
260
|
430
|
400
|
130
|
|
Z3MW250G-500-Ⅱ
|
250
|
500
|
Z3M300G-1300
|
2300
|
190
|
360
|
65
|
18
|
620
|
260
|
430
|
400
|
130
|
|
Z3MW315-500-Ⅱ
|
315
|
490
|
Z3M300-1800
|
1800
|
225
|
440
|
80
|
18
|
620
|
290
|
450
|
500
|
170
|
|
Z3MW315G-630-Ⅱ
|
315
|
630
|
Z3M300G-2300
|
2300
|
225
|
440
|
80
|
18
|
620
|
290
|
450
|
500
|
170
|
|
Z3MW400G-1300-Ⅱ
|
400
|
1300
|
Z3M400G-3500
|
3500
|
280
|
540
|
100
|
22
|
800
|
390
|
570
|
600
|
190
|
|
|